Инсталляция для раковины: скрытые системы монтажа в ванную комнату
Инсталляция для раковины — редкое и премиальное решение для встроенных раковин в ванной комнате. В отличие от инсталляции для унитаза или биде, инсталляция под раковину менее распространена, но приобретает популярность среди дизайнеров и архитекторов, проектирующих элитные ванные. Система инсталляции для раковины скрывает все водопроводные трубы и сливные коммуникации, позволяя разместить раковину на любой высоте и в любом месте стены. Это решение обеспечивает минималистичный дизайн, где видна только сама раковина, кран и полка — все остальное спрятано за облицовкой. Инсталляция для раковины требует тщательного проектирования и профессионального монтажа, поэтому выбирают её люди, готовые инвестировать в премиум-ремонт.
Что такое инсталляция под раковину: типы и конструкция
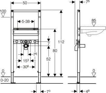
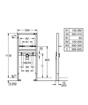
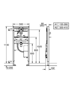
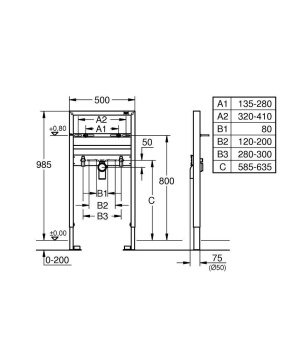
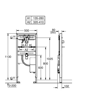
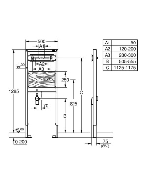
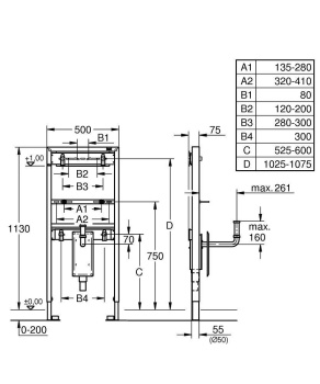
Инсталляция под раковину — это металлическая или пластиковая система крепления, которая монтируется в стену перед облицовкой. Система инсталляции для раковины включает кронштейны крепления, силовые элементы для восприятия нагрузки (обычно 50–100 кг), проводку для подвода горячей и холодной воды, и трубопровод для отвода сточных вод. Инсталляция раковины в ванную отличается от подвесного монтажа без инсталляции тем, что позволяет скрыть все коммуникации и крепежи. Высота установки раковины может быть любой — 70–80 см для детских ванных или 90–110 см для взрослых. Инсталляция под раковину в ванной часто используется совместно с встроенным шкафчиком под раковину, что создаёт единый дизайнерский ансамбль.
Инсталляция раковины в ванную: особенности монтажа
Инсталляция раковины в ванную выполняется на этапе проектирования с учётом всех коммуникаций. Система должна быть установлена до монтажа гипсокартона и облицовки. Требуется подвод холодной воды (обычно 0,5–1 л/мин для раковины) и горячей воды (если предусмотрены смесители с горячей водой). Слив должен быть герметичным: труба сливного стояка должна быть диаметром 40–50 мм. Инсталляция под раковину в ванной требует зазора 15–20 см перед облицовкой, что позволяет разместить кронштейны и трубопроводы. После установки системы монтируют гипсокартон толщиной 10–12 см и облицовывают плиткой. Наконец, на кронштейны крепят саму раковину — обычно керамическую подвесную чашу с отверстиями под смеситель и переливное отверстие.
Бренды и решения: Grohe и Geberit
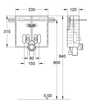
Инсталляция для раковины Grohe — один из немногих брендов, предлагающих специализированные системы для встроенных раковин. Система инсталляции для раковины Grohe обычно комплектуется надёжными кронштейнами и коннекторами для быстрого подключения воды. Инсталляции для раковин Geberit — швейцарское решение, известное прочностью и надёжностью. Инсталляция для раковины Geberit DuoFix — универсальная система, адаптированная под раковины большинства производителей. Эти бренды гарантируют несущую способность 100–150 кг, что достаточно даже для каменных раковин. Выбор между Grohe и Geberit зависит от предпочтений дизайнера и наличия комплектующих на местном рынке.
Практические советы по выбору и установке
Инсталляция для раковины купить нужно ещё на этапе проектирования ванной комнаты. Перед покупкой уточните размеры раковины (особенно вес, если это каменная чаша) и типы смесителей, которые будут установлены. Система инсталляции должна соответствовать весу раковины — убедитесь, что несущая способность кронштейнов не менее чем в два раза превышает вес. Если вы планируете встроенный шкаф под раковину, система должна быть совместима с его размерами. Инсталляция раковины в ванную требует помощи опытного сантехника: неправильный монтаж приведёт к протечкам и повреждению облицовки.
Проверьте совместимость системы с вашей раковиной и смесителем перед покупкой. Убедитесь, что трубопроводы водоснабжения и слива находятся на правильной высоте и расстоянии от стены. При установке используйте герметики и муфты высокого качества для предотвращения протечек.
Где приобрести инсталляцию для раковины
В SantehKomfort Elite представлены системы инсталляции для раковин от ведущих европейских производителей. Инсталляция для раковины от Grohe, Geberit и других брендов доступна в нашем магазине. Консультация специалистов поможет выбрать оптимальное решение для вашего проекта. Наш шоурум 700 м² в центре Москвы даёт возможность увидеть образцы раковин и систем крепления. Доставка по России, монтаж по договору. Скидки для дизайнеров и архитекторов при проектировании.
Инсталляция для раковины — инвестиция в элегантный и функциональный дизайн ванной комнаты. Доверьте выбор профессионалам и наслаждайтесь идеальной ванной на долгие годы.
