Цена действительна только для интернет-магазина и может отличаться от цен в розничных магазинах
⚠️ На полную комплектацию санузлов предусмотрена дополнительная скидка, уточняйте у менеджеров
⚠️ На полную комплектацию санузлов предусмотрена дополнительная скидка, уточняйте у менеджеров
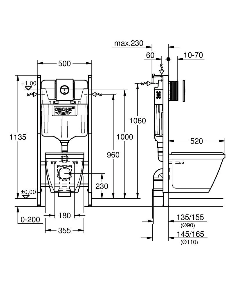
Смывной бачок GD 2.
Монтажная высота 1,13 м.
Для монтажа перед стеной или стеной перегородкой.
Самонесущая стальная рама с порошковым напылением.
Для облицовки гипсоволоконной плитой.
Фиксированные подключения.
Быстрая регулировка по высоте.
Крепежный материал.
2 болта-держателя для унитаза.
Крепление для керамики.
Расстояние между болтами 180/230 мм.
Выходной патрубок для унитаза O 90 мм.
Регулировка глубины монтажа.
Редуктор O 90/110 мм.
Впускной и смывной гарнитуры.
Смывной бачок GD 2, 6 - 9 л.
Заводская настройка 6 л и 3 л.
Пневматический смывной клапан с тремя режимами слива: 2-х объёмный, старт/стоп, или непрерывный.
Подключение воды: справа, слева, сзади или сверху.
Арматурная группа I.
С изоляцией от конденсационной влаги.
Подключение воды DN 15.
Во время сборки не требуется дополнительного инструмента.
Для монтажа инспекционного короба.
Для вертикального или горизонтального монтажа.
С принадлежностями для монтажа перед стеной.
Установка по месту.
С накладной панелью Nova Cosmopolitan для вертикального и горизонтального монтажа, 156 x 197 мм, из ABS, хром.
Подвесной унитаз, белый, плавноопускающаяся крышка унитаза.
Загрузка отзывов...
Оплачивайте покупки удобным способом. В интернет-магазине доступно 3 варианта оплаты:
- Наличные при самовывозе или доставке курьером. Специалист свяжется с вами в день доставки, чтобы уточнить время и заранее подготовить сдачу с любой купюры. Вы подписываете товаросопроводительные документы, вносите денежные средства, получаете товар и чек.
- Безналичный расчет при самовывозе или оформлении в интернет-магазине: карты МИР, Visa и MasterCard. Чтобы оплатить покупку, система перенаправит вас на сервер системы ASSIST. Здесь нужно ввести номер карты, срок действия и имя держателя.
- ЮMoney при онлайн-заказе. Для совершения покупки система перенаправит вас на страницу платежного сервиса. Здесь необходимо заполнить форму по инструкции.
Курьерская доставка по Москве
При заказе товаров. стоимость доставки будет рассчитана менеджером.
Самовывоз из магазина - Бесплатно
г. Москва, Волгоградский проспект, ТЦ «Метр квадратный»
с 10:30 до 17:30 в будние дни
Условия доставки по России
Транспортными компаниями: СДЭК, ПЭК, Деловые линии и др.
Стоимость доставки по предварительному согласованию.
